医学影像装备首台(套)重大技术装备试验验证平台
首页
产品介绍
培训教学
成果展示
成果展示
>
团体标准
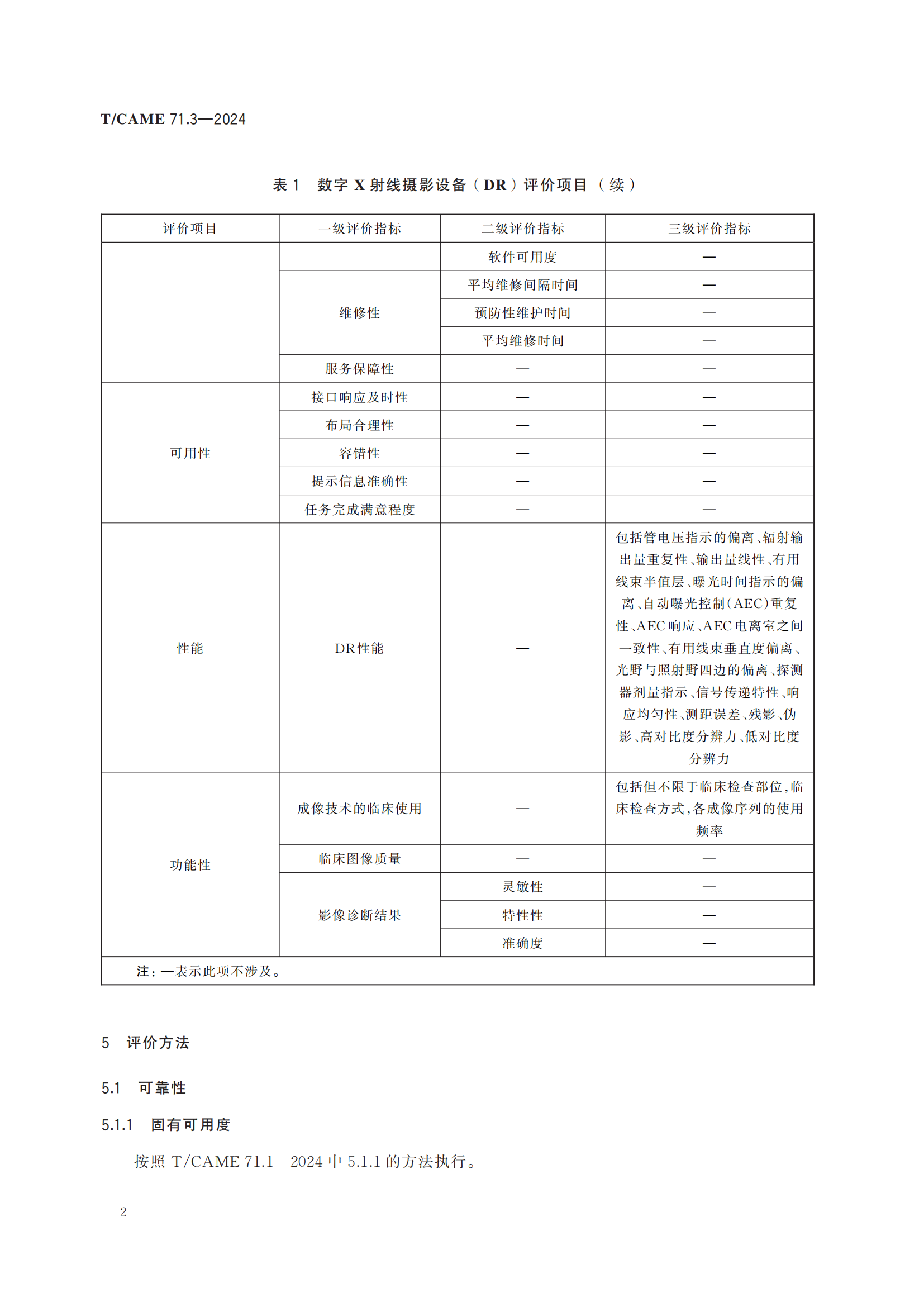
>8.3 医学影像装备临床使用评价指南 第3部分:数字X射线摄影设备
8.3 医学影像装备临床使用评价指南 第3部分:数字X射线摄影设备
作者: 发布日期:2024-06-25
影像与放疗设备
NeuVision 690 全智能悬吊能谱功能性DR
数字化医用X射线摄影系统 DigiEye680P
新东方1000LB型产品